Arrid Ammeters

 

ARRIDtm Ammeters are available through a number of resellers throughout Australia. The ARRIDtm range of ammeters are of the highest standard and are available in 10 or 30amp.

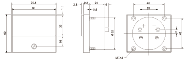
Wired in series with a load or charge input, these ammeters can show net charge or discharge of the battery system.

Phone 1300 663 563 for a dealer near you.

 

 

 

 
 
Contact us via Email: sales@arrid.com.au